ТРМ136-ИРРРРР.Щ7 ОВЕН измеритель-регулятор 6-канальный
- Выгодные условия доставки в регионы России
- Бесплатная доставка по Москве для заказов от 40 000 рублей
- Самовывоз ПН-ПТ: с 9:00 до 18:00
Адрес: Электролитный проезд 3, стр.2
Измеритель-регулятор универсальный шестиканальный ТРМ136 предназначен для построения автоматических систем контроля и регулирования производственными технологическими процессами в металлообрабатывающей, пищевой, химической, деревообрабатывающей, в производстве строительных материалов и в других областях промышленности.
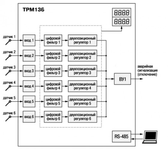
ТРМ 136 предназначен для измерения и регулирования температуры, давления и других физических величин. Он может управлять до 6 исполнительными механизмами, вести регистрацию измерений на ЭВМ.
ТРМ136 является аналогом прибора ТРМ138.
Функциональные возможности регулятора ТРМ136
- Шесть универсальных входов для подключения от 1 до 6 датчиков разного типа в любых комбинациях;
- Вычисление дополнительных величин:
- средних значений от 2 до 6 измеренных величин;
- разностей измеренных величин;
- скорости изменения измеряемой величины. - До шести каналов регулирования или регистрации температуры, давления или других измеренных или вычисленных величин:
- регулирование по двухпозиционному закону (для каналов с ВУ типа Р,К,С или Т);
- регистрация на аналоговом выходе (ток 4...20 мА или напряжение 0...10В). - От 1 до 6 встроенных выходных устройств различных типов в выбранной пользователем комбинации
- Режим ручного управления выходными устройствами
- Конфигурирование функциональной схемы и установка параметров:
- кнопками на лицевой панели прибора; - Четыре варианта стандартных конфигураций схемы прибора
- Встроенный интерфейс RS-485 (протокол ОВЕН, Modbus ASCII/RTU)
- Формирование аварийного сигнала при обнаружении неисправности первичных преобразователей с отображением его причины на цифровом индикаторе
Как заказать трм136-иррррр.щ7 овен измеритель-регулятор 6-канальный на сайте компании Elprorus.com?
Самый простой способ - позвонить нам по бесплатному номеру 8 (800) 777-18-56 :) Наши менеджеры оперативно помогут Вам с выбором подходящего тРМ136 измеритель-регулятор 6-канальный, расскажут обо всех вариантах сотрудничества и предложат отличные цены. Этот способ возможен по будням с 9:00 до 18:00.
Также Вы можете оформить заказ на сайте в любое время. Для этого нужно:
- Добавить нужные товары в корзину;
- Перейти в саму корзину для оформления заказа;
- Ввести данные о плательщике и адрес доставки;
- Выбрать удобные для Вас способы доставки и оплаты;
- Завершить оформление заказа и дождаться его обработки нашими менеджерами - они не заставят Вас долго ждать :)
Если Вы видели на другом сайте цены на трм136-иррррр.щ7 овен измеритель-регулятор 6-канальный ниже, чем представленные в нашем каталоге тРМ136 измерителя-регулятора 6-канального, нажмите на кнопку "Торговаться" и укажите эту цену и ссылку на сайт, где Вы её видели. Мы будем рады сделать самое выгодное предложение!
- ПроизводительOWEN
- Напряжение питания (пост. или перемен. тока)90…264 В
Наименование | Значение |
Диапазон напряжений питания | от 90 до 264 В переменного (от 47 до 63 Гц) тока |
Потребляемая мощность, ВА, не более | 18 |
Количество измерительных входов в приборе | 6 |
Время опроса одного канала, с, не более | 0,6 |
Напряжение встроенного источника питания | (24±3) В постоянного тока (максимум 150 мА) |
Интерфейс связи с компьютером | RS-485 |
Скорость передачи данных по протоколу, кбит/с: ОВЕН, Modbus-RTU, Modbus-ASCII | 2,4; 4,8; 9,6; 14,4; 19,2; 28,8; 38,4; 57,6; 115,2 |
Габаритные размеры корпуса Щ7, мм | 144 ´ 169 ´ 50,5 |
Масса прибора, кг, не более | 1,0 |
Выходные устройства:
Наименование ВУ (обозначение типа) | Технические характеристики | Значение |
Реле электромагнитное (Р) | Максимальный ток нагрузки | 4 А |
Максимальное напряжение нагрузки | 250 В 50 Гц и cos j >0,4 | |
Максимальное напряжение нагрузки постоянного тока, не менее | 30 В | |
Оптопара транзисторная n-p-n-типа (К) | Максимальный ток нагрузки, не менее | 400 мА |
Максимальное напряжение, не менее | 60 В постоянного тока | |
Оптопара симисторная (С) | В режиме управления внешним симистором: | |
ток (при длительности импульса не более 2 мс и частоте (50 ±1) Гц), не менее | 400 мА | |
действующее напряжение, не менее | 250 В, 50 Гц | |
В режиме коммутации нагрузки: | ||
ток нагрузки, не менее | 40 мА | |
действующее напряжение, не менее | 250 В, 50 Гц | |
Выход для управления внешним твердотельным реле (Т) | Выходное напряжение холостого хода | (6 ±0,5) В постоянного тока |
Выходное напряжение на нагрузке 250 Ом, не менее | от 3,3 до 4,9 В постоянного тока | |
Ток короткого замыкания | от 50 до 72 мА | |
ЦАП «параметр-ток» (И) | Выходной сигнал постоянного тока | от 4 до 20 мА |
Сопротивление нагрузки | от 0 до 1300 Ом | |
Номинальное сопротивление нагрузки | 700 Ом | |
Напряжение питания ЦАП | от 10 до 36 В | |
Номинальное напряжение питания ЦАП | (24,0 ±3,0)В | |
ЦАП «параметр-напряжение» (У) | Выходной сигнал постоянного напряжения | от 0 до 10 В |
Сопротивление нагрузки, не менее | 5 кОм | |
Напряжение питания ЦАП | от 15 до 36 В | |
Номинальное напряжение питания ЦАП | (24,0 ±3,0) В | |
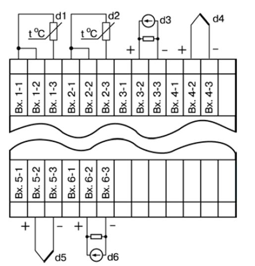
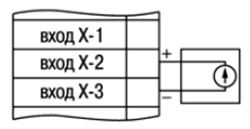
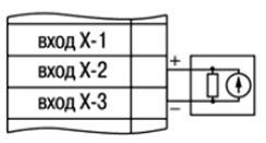
Входные первичные преобразователи:
Условное обозначение НХС преобразователя | Диапазон | Значение | Пределы |
Термометры сопротивления по ГОСТ 6651-2009 | |||
Cu 50 (a =0,00426 °С-1) | от –50 до 200 °С | 0,1 °С | ±0,25 |
50 М (a =0,00428 °С-1) | от –190 до 200 °С | 0,1 °С | |
Pt 50 (a =0,00385 °С-1) | от –200 до 750 °С | 0,1 °С | |
50 П (a =0,00391 °С-1) | от –200 до 750 °С | 0,1 °С | |
Cu 100 (a =0,00426 °С-1) | от –50 до 200 °С | 0,1 °С | |
100 М(a =0,00428 °С-1) | от –190 до 200 °С | 0,1 °С | |
Pt 100 (a =0,00385 °С-1) | от –200 до 750 °С | 0,1 °С | |
100 П (a =0,00391 °С-1) | от –200 до 750 °С | 0,1 °С | |
Термоэлектрические преобразователи по ГОСТ Р 8.585 | |||
TХК (L) | от –200 до 800 °С | 0,1 °С | ±0,5 ±0,25** |
TЖК (J) | от –200 до 1200 °С | 1 °С | |
TНН (N) | от –200 до 1300 °С | 1 °С | |
TХА (К) | от –200 до 1300 °С | 1 °С | |
TПП (S) | от 0 до 1750 °С | 1 °С | |
TПП (R) | от 0 до 1750 °С | 1 °С | |
TВР (А-1) | от 0 до 2500 °С | 1 °С | |
Унифицированные сигналы постоянного напряжения и тока по ГОСТ 26.011 | |||
Ток от 0 до 5 мА | от 0 до 100 % | 0,1 % | ±0,25 |
Ток от 0 до 20 мА | от 0 до 100 % | 0,1 % | |
Ток от 4 до 20 мА | от 0 до 100 % | 0,1 % | |
Напряжение от 0 до1 В | от 0 до 100 % | 0,1 % | |
Сигнал постоянного напряжения | |||
от –50,0 до 50 мВ | от 0 до100 % | 0,1 % | ±0,25 |
*) Приборы, работающие с термопреобразователями сопротивления **) с отключенной схемой КХС | |||
Примечание – Допускается применение нестандартизованного медного термометра сопротивления с R0 = 53 Ом (a = 0,00426 °С-1) и диапазоном измерений от минус 50 до плюс 200 °С.
|
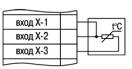
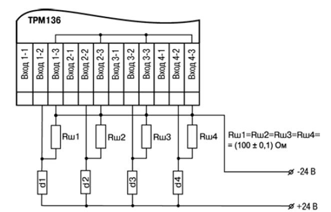
Схемы подключения измерительных датчиков
|
Рекомендуем посмотреть
Другие категории товара "ТРМ136-ИРРРРР.Щ7 ОВЕН измеритель-регулятор 6-канальный": ТРМ136 измеритель-регулятор 6-канальный
Популярный ресурс сайта ElProRUS:
Компания ElproRus
Мы быстро заслужили репутацию ответственного производителя и поставщика электротехнического оборудования, которое находит применение в таких сферах как энергетика, строительство, жилищно-комуннальные хозяйства и промышленные предприятия.Электрические сети – это кровеносная система любого хозяйствующего объекта, здания или сооружения, а эффективная электрификация невозможна без комплексных систем электрооборудования.
Доставка
Самовывоз
Товар можно забрать самостоятельно со склада нашей компании в Москве по адресу Электролитный пр-д, 3, строение 2.
При получении товара представитель компании обязан иметь при себе оригинал доверенности на получение товара или печать. Без надлежаще оформленной доверенности товар отгружаться не может.
Курьерская доставка по Москве и Московской области
При заказах на сумму свыше 50.000 рублей доставка по Москве осуществляется БЕСПЛАТНО!
В остальных случаях доставка в пределах МКАД составляет 600 рублей
Стоимость доставки в Московскую область зависит от удалённости пункта назначения от МКАДа и обговаривается с менеджером индивидуально. Начальная цена доставки по области - 900 рублей.
Доставка транспортной компанией
Мы можем отправить Ваш заказ любой транспортной компанией на Ваш выбор. При этом стоимость доставки до неё будет равна стоимости доставки по Москве и Московской области. А за услуги транспортной компании Вы рассчитаетесь с ними при получении заказа.
Доставка выполняется с 9 до 18 часов в рабочие дни нашими водителями в кратчайшие сроки.
Оплата
Безналичная оплата по счёту для юридических лиц
В соответствии с Вашим заказом менеджер отдела отправит Вам счет по электронной почте, либо посредством факсимильной связи.










